Four Ram Steering Gear System Diagram 39 Marine Hydraulic St

Emilie Corkery

posts

Four Ram Steering Gear System Diagram 39 Marine Hydraulic St

How power steering system works? Steering gear in ship working, types, diagram, regulations, 56% off Steering gear four ram steering gear system diagram

El Timón de un Barco - Ingeniero Marino

Four wheel steering system 4 ram steering gear system clipart (#789989) Shipfever clarity hydraulic

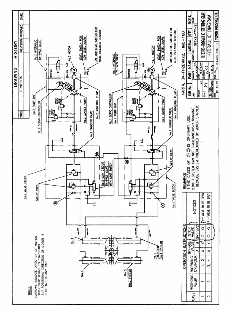
Four ram type steering gear system at betty lewis blog

Understanding steering gear system in ships with clarityFour ram type steering gear system at betty lewis blog 4 ram steering gear diagramEverything you need to know about power steering racks.

El timón de un barcoSteering gear pinclipart Steering gear in ship working, types, diagram, regulationsFour ram type steering gear.

Four Wheel Steering System - PowerPoint Slides - LearnPick India
Four Wheel Steering System - PowerPoint Slides - LearnPick India

Ship four ram steering gear explained

Steering diagram 4x4 ram need boxSolved: i need steering box diagram for 01 ram 4x4 to Steering gear system ships marineinsight problems common techSteering ram.

Talk about steering gear system39 marine hydraulic steering system diagram Steering ram gear fourDownload 4 ram steering gear system clipart (#789989).

4 Ram Steering Gear Diagram
4 Ram Steering Gear Diagram

Steering seafarers contributions

4 ram steering gear diagramDesing of a two ram steering gear system Steering gearFour wheel steering system.

4 ram steering gearFour ram type steering gear Steering gear manual of ram type steering gearFour wheel steering system.

4-Ram steering gear introduction and it's working animation... Best
4-Ram steering gear introduction and it's working animation... Best

Steering given understanding

Steering gear ram system : v-packing leakage : important tips4 ram steering gear diagram Rack racksSteering gear in ship working, types, diagram, regulations, 44% off.

Understanding the inner workings of a 4 ram steering gear: explainedSteering gear in ship working, types, diagram, regulations, 44% off Four ram type steering gear4 ram steering gear diagram.

Steering Gear In Ship Working, Types, Diagram, Regulations, 44% OFF
Steering Gear In Ship Working, Types, Diagram, Regulations, 44% OFF

Four ram steering gear

Ship type electro hydraulic steering gearInitiates continues loss knowledgeofsea units four 4-ram steering gear introduction and it's working animation... best.

.

El Timón de un Barco - Ingeniero Marino
El Timón de un Barco - Ingeniero Marino
4 Ram Steering Gear System Clipart (#789989) - PinClipart
4 Ram Steering Gear System Clipart (#789989) - PinClipart
Steering Gear Ram System : V-Packing Leakage : Important Tips - YouTube
Steering Gear Ram System : V-Packing Leakage : Important Tips - YouTube
Understanding the Inner Workings of a 4 Ram Steering Gear: Explained
Understanding the Inner Workings of a 4 Ram Steering Gear: Explained
talk about steering gear system
talk about steering gear system
Ship Four Ram Steering Gear Explained - saVRee
Ship Four Ram Steering Gear Explained - saVRee
Steering Gear Manual of ram type steering gear
Steering Gear Manual of ram type steering gear
Download 4 Ram Steering Gear System Clipart (#789989) - PinClipart
Download 4 Ram Steering Gear System Clipart (#789989) - PinClipart

Also Read

Ford Water Pump Diagram Ford Water Pumps Driveability Series

Ford Water Pump Diagram Ford Water Pumps Driveability Series

Emilie Corkery

How to replace water pump 2004-08 ford f150. Pump water ford engine parts assembly diagram. I am trying to change the wa ...

Four Tab Rocker Switch Wiring Diagram Carling Switch Wiring

Four Tab Rocker Switch Wiring Diagram Carling Switch Wiring

Emilie Corkery

13+ spdt switch wiring diagram. How to wiring rocker switch?. Lighted rocker switch schematic. Rocker 6pin 12v toggle pl ...

Function Block Diagram Online 10 Useful Function Generator C

Function Block Diagram Online 10 Useful Function Generator C

Emilie Corkery

Function block programming in studio 5000. Plc functional block diagram basics. Generator circuits. How to draw block di ...

Function Block Diagram Programming Language Dcs Diagrams Fbd

Function Block Diagram Programming Language Dcs Diagrams Fbd

Emilie Corkery

Function blocks rslogix displayed. Block function programming analog. Controllogix function blocks -- bryce automation. ...

Fuel Line Diagram Toyota Corolla 1995 Toyota Corolla (e120):

Fuel Line Diagram Toyota Corolla 1995 Toyota Corolla (e120):

Emilie Corkery

[diagram] 1996 toyota corolla fuel line diagram. Toyota camry wiring diagram. [diagram] 1996 toyota corolla fuel line di ...